Problem-based tutorial #1
What does this circuit do?

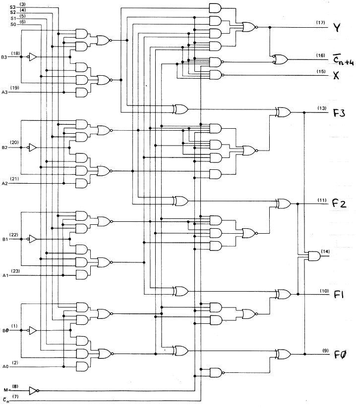
[PBT1]

  1. start by examining M=High, Cn=Low; ignore X and Y.
  2. what is pin (14) ?
  3. what is pin (16) ? Why is it called Cn+4? What is Cn?
Student feedback

--------------------------------------------------------------------
From: lw18pq on 2/14/19 5:09 PM

It would have definitely been a better start to look at the block diagram, but
I wouldn't have known how to start. That's where I'd ask for help next time.
Having that would have saved me a lot of time simulating the first part of the
circuit. As a team, we could have communicated more.

I noticed that from making a small discovery it was incredibly difficult to
gain traction on the next part of the problem. I could see what something did
but I had a hard time translating that to a why or how. Like at the beginning
with setting M to high and C to low. I was scared to be wrong and I didn't want
to say much especially since no one else was talking.

In terms of specific problems, I had no idea it was a carry, I still don't know
what m is. From looking at the questions posed, I know how approximately how
pin 14 works but I don't get the significance. To do better next time, it could
be a good idea to list these questions and discuss as a group which ones are
important and which ones less to the operation of the circuit as a whole. The
block diagram would be good to develop together. As far as the math idea goes,
sitting together and talking about it would be good. I honestly think it's not
enough time to get to know the teammates and develop good communication
strategies.

Better next time!

--------------------------------------------------------------------
From: re17wj on 2/17/19 1:27 PM

On Feb 14, we conducted our first PBT, and out of that, it was shown just how
ineffective our initial work practices were. For any team, there are a few
things that are paramount:
 •Communication
 •A Plan
 •Time
In terms of the last PBT, we had none of these. Time is the most important
factor, and for a below average group size mixed with no time to familiarize
ourselves with each other (especially the big factor that nobody would take
charge), we did pretty well. The PBT was a math thing, and as I worked, it
always bugged me what these outputs of A, B and S would actually do mixed
together. 

The contributions from the other members showed great lights into the scheme of
the circuit, but I did not provide much insight.  What we need for future
PBT’s, is for someone to take charge and distribute roles based on our
strengths, and a determinate goal to drive us to communicate our ideas to each
other. 

After further inspection after the allotted time that day revealed the exact
characteristics of the circuit, as well as the chip it's based on. Searching
upon the term ”4-bit ALU” (ALU meaning Arithmetic logic unit), revealed an
interesting Wikipedia page containing the exact same picture seen in the PBT,
and thus bringing me to the page for a 74181 chip, used as a logic core for
many historic minicomputers. Before this however, it was discovered after many
attempts at total boolean logical construction that different operations are
conducted based on what M and Cn are set to. M determines if the circuit will
be used as a logic operation (AB, A+B, etc.), or an arithmetic operation
(values of A+B, etc.), as well as including basic logical 0 and logical 0. The
specifics of which operation is conducted is determined by S0−S3.


--------------------------------------------------------------------
From: ls09wo

Not submitted.

--------------------------------------------------------------------