next up previous contents
Next: Voltage follower Up: Operational Amplifiers: Basic Concepts Previous: Operational Amplifiers: Basic Concepts

Null voltage measurement

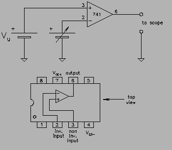
$\textstyle \parbox{3.0in}{\raisebox{-2.5in}{\par
\hbox{\hskip 0in \vbox to 2.5in{\includegraphics[height=2.5in]{FIGS/fig2.1.ps}\vfill}}}}$ $\textstyle \parbox{3in}{%
Wire up the following circuit using a 741 op-amp.
\be...
...nput of the op-amp. Use $V_{{\rm CC}+} = +15 $V and
$V_{{\rm CC}-}= -15 $V.
}$
Use the scope to monitor the output and adjust the $\pm 1 $V supply until a transition from one output voltage limit to the other occurs. Measure and record the positive and the negative voltage limits of the op-amp output.
In the same circuit, connect the DMM to the $\pm 1 $V supply. Adjust the potentiometer (carefully) to the value where the op-amp output just begins to decrease from its positive limit (as observed on the scope), where it is as close to zero output as you can set it, and where it is not quite at the negative limit. Record these three values. They may be very close to each other; in this case estimate the upper limit on the change of the input voltage(s) that causes the output to jump from one limit to another. Repeat these observations several times.
Without changing any settings, use DMM to measure $V_{u}$.
Estimate the open loop gain, $A$, of the op-amp and its input offset voltage from the above measurements. Compare with the nominal value, $103 $dB for 741.

Note: $V_{\rm output} = A\times (V_+ - V_-)$, see Simpson, pp. 367-369 or Faissler p. 247-248.


next up previous contents
Next: Voltage follower Up: Operational Amplifiers: Basic Concepts Previous: Operational Amplifiers: Basic Concepts

For info, write to: [email protected]
Last revised: 2007-01-05